南北仪器专业提供实验室仪器设备一站式解决方案
功 能:
LX邵氏C型硬度计是测定压缩率为 50% 时应力为 0.5kg/c㎡ 以上的含有发泡济制成的橡塑微孔材料硬度,也可用于类似硬度的其他材料。
特 点:
针式指示,读数方便、准确、精度高
手持式设计,携带方便,可手持测量,也可安装在配套的测试架上测试
规格参 数:
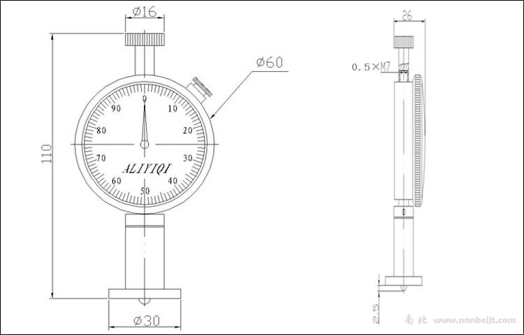
刻 度 盘 值: 0 ~ 100HC
压 针 行 程: 2.5 mm
推荐测量范围: 10 ~ 90HC
压针头部尺寸: SR 2.5 mm
重 量:~ 0.5 kg
结构图:


微信公众号

京东旗舰店

天猫店铺
国内销售
电话:400 098 6966
国际贸易
9659彩集团电话: +86-371-60310701
售后服务
电话:+86-371-60153599
郑州地址一:郑州市、金水区、北环路73号、瀚海北金A座14层
郑州地址二:郑州市、金水区、北环路72号
9659彩集团北京地址:北京市丰台区贾家花园15号院7号院一层西侧
9659彩集团 海外进出口贸易(离岸中心):ROOM 803, CHEVALIER HOUSE, 45-51 CHATHAM ROAD SOUTH, TSIM SHA TSUI, KOWLOON, H K NANBEI INTERNATIONAL GROUP LIMITED
上海地址:上海市、普陀区、长寿路76号
9659彩集团工厂地址:沁阳市未来路、省科学院沁阳科创园区