9659彩集团南北仪器专业提供实验室仪器设备一站式解决方案
AZGH-C-5000G高铁张力计
一、概述
1.1主要用途及适用范围
AZGH绳索张力计是一款在线测量电线电缆、光纤和绳索等张力的仪器,适宜在高铁行业、电力行业、通信行业、交通运输行业、建筑行业、游乐场等凡涉及铜绞线张拉力测量时使用。也适用于各大科研院校、检测机构等场合。
1.2产品特点
1.2.1在线测量:测量绳索时绳索不需拆卸,可在线测量具有张紧力的绳索,实时加载绳索张力时,可在线观察实时张力。
1.2.2便携式:仪器采用高强度铝合金结构,重量轻、体积小、携带方便,测量绳索张力时,一人便可完成suo有操作。
1.2.3 操作方便:仪器加载机构采用杠杆结构,只需要将仪器手柄推到底就可以正确测量绳索张力;操作简便,一个人在30秒内就可完成一次测量。
1.2.4 仪器性能稳定,测量精度高,当被测绳索规格与力计中储存的绳索号一致时,在可定量程内,测量精度可达5%。
1.2.5仪器内置3种预设规格绳索,测量时只需选择相应的绳索号即可。
1.2.6数显显示力值,仪器采用LCD显示测量力值,读数更加方便。
1.2.7三种单位切换:仪器可切换N、Kgf和Lbf三种力值。
1.2.8仪器可保存383组测量数据,保存的数据可通过电脑导出。
1.3品种、规格
1.3.1 铜绞线张力计内置规格表
1.3.1.1 AZGH-A-5000G绳索张力计内置规格如下表:

1.3.1.2AZGH-B-5000G绳索张力计内置规格如下表:

1.3.1.3AZGH-C-5000G绳索张力计规格如下表:

1.3.2 钢丝绳张力计内置规格表
1.3.2.1AZGH-A-5000S绳索张力计内置规格如下表:

1.3.2.2 AZGH-B-5000S绳索张力计内置规格如下表:

1.3.2.3AZGH-C-5000S绳索张力计规格如下表:

1.4产品技术参数
1.4.1分度值:1N
1.4.2精度:±5%
1.4.3电源:7.2V 镍氢电池组
1.4.4 充电器:输入AC100~240V 50Hz 输出:DC 12V 500mA
1.4.5采样率:10Hz
1.5型号的组成及其代表意义


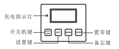
二、产品整体结构
2.1 外形结构

2.2 液晶屏功能

2.2.1开关机键:按此键时,电源打开或关闭。
2.2.2设置键:用户在测量界面时可以通过此键进入设置界面,并且在设置数据时按此键保存数据。
2.2.3备忘键:在测量界面时有保存测量数据的功能;在测量界面时长按此键可查看保存数据;进入设置界面时,具有上移功能。
2.2.4置零键:在测量界面时,按此键屏幕上的测试值会被归零,在设置数据时,按此键可返回到设置界面。
2.2.5充电指示灯:插入充电电源时,电源未满显示红灯,充满后显示绿灯。
三、使用和操作
3.1 使用前的准备和检查
3.1.1检查电量,若不足,需充电后再使用。
3.2 使用中的操作及说明
3.2.1设置项

3.2.2单位设置:开机后,进入测量界面,按“SET”键进入设置界面,再按一次“SET”键进入单位设置中,按下“MEMO”键进行单位选择,保存所需的单位后,按“SET”键保存并退出到设置界面。如下图所示:

3.2.3峰值设置:上步操作完成后,按“MEMO”键选择“PEAK”,进入后按“MEMO”在“PEAK”(峰值模式)、无此字符显示(表示实时荷重值模式)二种模式之间相互切换,选择所需模式,再按“SET”键保存并进入下一功能设置,如下图所示:

3.2.4上限值设置:按“SET”键进入上限值设置,按“ZERO”键和“MEMO”键进行数字调整,选择所需数值,再按“SET”键保存并进入下一步功能设置,如下图所示:

3.2.5下限值设置:按“SET”键进入下限值设置,按“ZERO”键和“MEMO”键进行数字调整,选择所需数值,再按“SET”键保存并进入下一步功能设置。
3.2.6峰值Z小保存值:峰值模式下,当前值小于该值时,峰值将不被保存。按“SET”键进入峰值Z小保存值设置,按“ZERO”键和“MEMO”键进行数字调整,选择所需数值,再按“SET”键保存并进入下一步功能设置。
3.2.7自动关机时间设定:可设定1分钟到9999分钟自动关机,也可设置“0000”不关机。本机默认设置为30分钟。按“SET”键进入自动关机时间设置,按“ZERO”键和“MEMO”键进行数字调整,选择所需数值,再按“SET”键保存并进入下一步功能设置。
3.2.8索号档位选择:按“SET”键进入“索号档位选择”设置,按“MEMO”选择所需的档位,按“SET”保存,仪器自动关机,重新开机即可。
3.2.9重力加速度设定:用户可根据本地区的位置设定重力加速度值,默认值为9.800。
3.2.10背光功能设定:在此设置项目下,用“MEMO”键选择,若选择“YES”表示开启背光功能,选择“NO”表示关闭背光,选定后按“SET”键保存并返回到设置项目界面。
3.2.11恢复出厂设置功能:在此设置项目下,按“SET”键即可恢复出厂设置,机器关机。若使用机器重新开机即可。
3.3测试
3.3.1打开开关。
3.3.2根据被测绳索的外径,选择索号档位。(参照上面规格表)
3.3.3将被测绳索通过活动轮,两固定轮与绳索wan全接触,如下图所示:

3.3.4将被测绳索压紧在活动轮上,旋紧把手,显示的数值即为被测绳索的实际张紧力力值。
3.4保存数据的导出
3.4.1储存数据
按“MEMO”键数据会被储存起来,当无数据保存时,显示屏上并无任何显示。当有数据被保存时,便显示MEM。长按“MEMO”键查看保存数据时,“MEM”闪烁,先出现保存次数,2秒后自动出现保存数值。按“ZERO”键可退出查看界面直接进入测试。也可将数据输入电脑作分析处理。本机可储存383组数据。当超过383组数据时,之后的数据将不会被保存。
四、保养和保修
4.1 日常维护、保养
4.1.1请使用配套的充电器充电,否则会引起电路故障,甚至引发火灾。
4.1.2不要使用充电器额定电压以外的电源,否则可能会引起电击或火灾。
4.1.3不要用湿手拔出或插入插头,否则可能会导致触电。
4.1.4不要拉拽充电器的电源线来拔出插头,以免电线被扯断而遭电击。
4.1.5请用柔软的布来清洁本机。将布浸入泡有清洁剂的水中,拧干后再清除灰尘和污垢。
注意:不要使用易挥发的化学物质来清洁本机(如挥发剂、稀释剂、酒精等)
4.2 运行时的维护
4.2.1不要超出Z大量程来使用本仪器。否则可能导致传感器损坏,甚至发生事故。
4.2.2当测试值超过量程时,蜂鸣器会连续鸣叫,此时请快速解除所加之载荷或降低负荷。
4.3 长期停用时的维护和保养
4.3.1请在规定的温湿度范围内使用及储存,否则可能造成仪器故障。
五、包装清单
1 | 高铁张力计 | 1个 |
2 | 12V充电器 | 1个 |
3 | 说明书 | 1份 |
4 | 合格证 | 1张 |
5 | 干燥剂 | 1包 |
6 | 检查证明书 | 1份 |
7 | 数据线 | 1根 |